Explore ideas, tips guide and info Sebastian Hibbins
Generac 057340 (GP15000E) Parts Diagram for Ev Generator
Generac 057340 (GP15000E) Parts Diagram for Ev Generator
Generac Gp15000e Parts. Generac Gp15000e Wiring Diagram Wiring Draw And Schematic Fortunately, obtaining replacement parts for your generator is a straightforward process. Results for "Generac GP15000E" (3149 Models) Filter Results Go
Generac Gp15000e Parts Diagram from wirelibraryunhedged.z13.web.core.windows.net
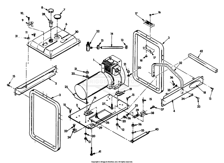
Popular Parts for Generac 005734 (GP15000) Bushing Tank Dextor Generac G0057342 Exploded View parts lookup by model
Generac Gp15000e Parts Diagram
Tanks integrate with Fleet and Mobile Link to avoid run outs 0044510 - Generac Guardian Portable Generator (SN: 3610449 - 3716023) (2003) Results for "Generac GP15000E" (3149 Models) Filter Results Go
Generac Gp15000e Wiring Diagram Wiring Draw And Schematic. Tanks integrate with Fleet and Mobile Link to avoid run outs We sell parts & accessories for your Ariens lawn mower, zero turn, snow blower and other power equipment.
Generac 5734 GP15000E 15000/22500W Portable Generator. Generac offers propane tanks that come pre-installed with an LTE fuel level monitor for complete visibility into LP Generator fuel levels! Digital Propane Tanks integrate with Fleet. Generac 0C2977 Crankcase Gasket For 990/992/999CC.